振動電機
以客戶需求為導向,提供全方位的系統解決方案
以客戶需求為導向,提供全方位的系統解決方案
振動電機
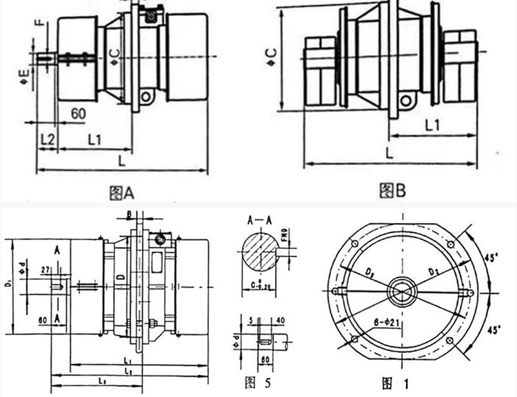
VBCB系列三相異步振動電機,與普通振動電機相比它省去了振動機械復雜的電機底板,電機直接安裝在振動機械的側板上,可使振動機械實現圓運動或直線運動,同時可使振動機械重量減輕,機體剛度要求減小,減少振動機械的能耗,安裝維護方便、單機激振力大、壽命長(達10000小時)。
它廣泛運用于電力、建材、煤炭、化工、礦山、冶金、輕工、鑄造等行業,主要適用于大型篩分設備,由于其獨特的特點,可逐步替代軸偏心、塊偏心等其它類型的激振源,同時為大型振動機械提供了新型、可靠的激振源。

二、使用條件:
環境溫度:-20°~40°
海拔:不超過1000米
電壓:380伏/660伏
頻率:50赫茲(或60赫茲)
接法:Y/△
絕緣等級:F級、H級
工作方式:連續(S1)防護等級IP54

三、電機特點:
1、合理的安裝方式,減輕了振動機械的整體重量。
2、減少了中間傳動結構、可大大降低振動機械的能耗,節約電能。
3、因利用平穩的回轉產生振動,噪聲低。
4、只需調節偏心塊夾角,就可無級調整激振力大小。
5、可多機組合成各種振動形式,以滿足各種作業要求。
6、簡化了振動機械設計程序,使結構更趨合理。
7、安裝維護方便,使用可命壽命長。

四、技術參數:



返回列表

全國銷售熱線
15893823777友情鏈接:
版權所有 新鄉市宏達振動設備有限責任公司 備案號:豫ICP備16039515號-2 豫公網安備 41071102000135號
微信掃一掃