振動電機
以客戶需求為導向,提供全方位的系統解決方案
以客戶需求為導向,提供全方位的系統解決方案
振動電機
MVE系列振動電機是各類振動機械的通用激振源,可廣泛應用于礦山,冶金,煤炭,電力,建筑,化工,鑄造,輕工食品等行業。為振動給料機,振動輸送機,振動篩,振動落砂機,振動光飾處理機,振動干燥機和料倉振動防閉塞裝置等振動機械做激振源。
特色與特長
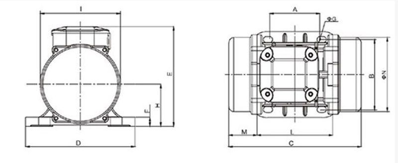
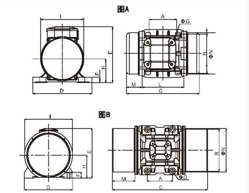
MVE系列電機10-50機座號采用鋁合金外殼,50-90機座號采用高強度鑄鐵外殼,大大減輕了主機重量,增加了主機對物料的處理能力。具有絕緣等級和防護等級高,體積小,重量輕等顯著特點。選用NSK和SKF軸承,延長了電機的使用壽命。
型號標示

使用條件
環境溫度:<40°
海拔高度:<1000m
額定電壓:380V(三相)220V(單相)
(也可提供230/400V,230/460V)
額定頻率:50HZ(也可提供60HZ)
絕緣等級:主級H級,接線腔F級
防護等級:IP65
工作制:連續(S1)
激振力調整范圍:0—大
技術參數














振動電機訂貨須知:
?。?)寫明所需產品的規格、功率、激振力、極數、數量。
(2)對面漆有無特殊要求。
(3)對電機引出線有無物殊要求。
?。?)可定制特殊參數的振動電機,如特殊電壓、特殊安裝尺寸等

全國銷售熱線
15893823777友情鏈接:
版權所有 新鄉市宏達振動設備有限責任公司 備案號:豫ICP備16039515號-2 豫公網安備 41071102000135號
微信掃一掃